1.低速運行時發電機勵磁繞組燒毀
(1)故障現象。柴油機從冷機起動至怠速時(600~900r/min),操作人員保持該轉速讓 柴油機運轉幾分鐘,發電機電壓達額定值,但沒多久發現勵磁繞組燒毀。
(2)原因分析。這是強勵磁作用的結果。因帶AVR的發電機低速運行時,AVR就已經投入工作,迅速加大勵磁電流,使發電機電壓達到額定值。這時的勵磁電流必然大大超過銘牌規定的額定值,轉速越低,要達到發電機額定電壓所需的勵磁電流越大,經柴油機怠速這一段時間,必然導致勵磁繞組燒毀。
(3)處理方法
①必須選用設有低頻保護環節的勵磁調節器,當發電機頻率低于下限設定值時,發電機電壓隨頻率下降而降低,勵磁電流也隨之減小,從而保護發電機各繞組在低頻時運行可靠。
②在勵磁電壓自動調節器未設置低頻保護環節情況下,應規定不允許發電機持續低轉速運行,并嚴格執行。
2.空載時相復勵三相交流發電機變流器繞組發燙并燒毀
(1)故障現象。發電機達空載轉速(1545?1575r/min),出線端電壓為額定值,僅1? 2分鐘發現變流器副繞組發燙,繼而冒煙燒毀。
(2)原因分析。主要是變流器二次繞組匝間短路引起。在變流器鐵心柱中交變磁通作用下,在短路線匝中感應短路電流,引起劇熱;二次繞組中部分線匝短路后,有效匝數減少了,其感抗也相應減小,該相二次繞組電流比其他兩相大,相對較熱。這兩點原因必然導致繞組燒毀。
(3)處理方法
①更換燒毀的繞組,并重新進行浸漆、烘干處理。
②每個變流器繞組與山形鐵心組裝之前,都必須用匝間耐電壓試驗儀檢測匝間是否短路.并用兆歐表檢測繞組對鐵心及繞組之間的絕緣電阻,符合要求后方可組裝。
3.發電機定子鐵心過熱
(1)故障現象
①發電機整個定子鐵心過熱,有的出現在發電機空載時,有的出現在發電機負載時。
②發電機定子鐵心局部過熱,電壓正常。
(2)原因分析
發電機整個定子鐵心過熱的原因:
①定子電壓過高運行,鐵心損耗增加,導致鐵心過熱。
②定子繞組溫度高,該熱量傳導給鐵心。
③轉子勵磁電流過大,轉子繞組溫度高,熱傳導給定子鐵心。
④發電機低速帶載運行,整機散熱條件差,也引起鐵心發熱。
⑤有的定子鐵心疊裝不整齊,鐵心內圓打磨過多,造成鐵心大面積片間短路,運行中引發鐵心渦流而發熱。
⑥相復勵發電機定子副繞組與電抗變流器二次繞組錯相連接,空載時的負載端電壓比機 端電壓還低,為了提高負載端電壓,必須加大勵磁電流,定子副繞組電流隨之加大,導致定子鐵心發熱。
發電機定子鐵心局部過熱的原因:
⑦個別定子線圈組短路,短路線圈周圍鐵心發熱。
⑧定、轉子鐵心局部相摩擦,引起鐵心發熱。
⑨變流器某相二次繞組匝數少繞,該相二次繞組和定子副繞組電流偏大,其周圍的定子鐵心較熱。
(3)處理方法
①調節發電機電壓,保持在額定電壓運行。
②在額定工況運行的發電機,若定子繞組溫度過高,應適當降低發電機負載。
③調節發電機負載,使功率因數不超過銘牌規定值;調節勵磁電流,使發電機電壓不過高,以此控制發電機勵磁電流不超過規定值,排除因轉子繞組過熱對定子鐵心的影響。
④調節內燃機轉速,使發電機負載時處于額定轉速運行,確保良好的通風散熱。
⑤改進定子鐵心疊裝工藝,使鐵心整齊結實,鐵心不打磨或少打磨。
⑥更正定子副繞組與變流器接線,確保同名端相連接。
⑦用匝間沖擊耐壓試驗儀或短路探測器檢測繞組是否短路,短路的應予以絕緣處理,無法處理的重繞繞組。
⑧改進發電機裝配或適當磨削轉子鐵心弧面,消除定、轉子鐵心相摩擦部分。
⑨發電機處于空載發電運行狀態,用交流電壓表檢測變流器二相二次繞組兩端電壓,電 壓低者為匝數少的繞組,應增補匝數。
4.發電機定子繞組過熱
(1)故障現象。發電機在額定工況下運行達熱穩定后,定子繞組的溫升超過該發電機規定的溫升限值和絕緣材料的耐熱限值(此會導致發電機絕緣加速老化,縮短發電機壽命)。
(2)原因分析
①過負載。定子電流超過銘牌規定的數值,使定子繞組和鐵心過熱。
②發電機通風道被堵塞,鐵心和線圈表面被不易傳熱的粉塵或細纖維蒙蓋,紡織廠、水泥廠、造紙廠和木工廠常遇到這種情況。
③裝有傾斜風扇的發電機倒轉。小型柴油發電機一般裝著離心式風扇,而離心式風扇又分徑向葉片、前傾葉片、后傾葉片3種。對于后傾風扇,一旦發電機反轉,則通風惡化,影響發電機散熱,導致發電機定子繞組過熱。
④定子繞組短路或接地。己經用了很久的發電機,由于絕緣老化或環境潮濕,造成線圈 匝間短路或接地。久置未用的發電機,未經絕緣干燥處理而一下子發電帶負載,也容易發生線圈短路或接地。
⑤發電機定子絕緣不好,這種情況常發生在發電機大修時,嵌線后浸絕緣漆不透,烘干 后發電機定子槽內仍然充滿空氣保溫層;有的雖然浸透了絕緣漆,但烘干時升溫太快,造成槽外部絕緣漆結皮,但槽內絕緣漆始終潮濕,甚至發現一年多后拆開定子,槽內還是粘濕 的。這樣的發電機定子溫升較高,嚴重影響轉子散熱,因而定子繞組溫升更高。由用戶自行修理的發電機很容易發生這種現象。
(3)處理方法
①機組運行人員必須嚴格按發電機銘牌規定調節負載,避免過載。
②定期檢査并清除發電機內部阻塞物和覆蓋物,經常保持通風道淸潔,維持正常的散熱條件。
③不管內燃機和發電機連接方式如何,都要保證發電機按指示矢規定的指向旋轉,若一 定要倒轉,則必須相應改變風葉傾斜方向,以利通風散熱。
④用匝間耐壓檢査儀或短路探測器檢査定子繞組匝間是否短路,用兆歐表檢查定子繞組是否接地,對短路及接地的予以修復或更換繞組。
⑤一般用兆歐表檢査定子繞組對地絕緣電阻,不論是槽內漆未干或浸漆不透,在潮濕氣 候都表現出對地絕緣電阻明顯下降。對于浸漆不透的應重新浸漆、烘干,對于槽內粘濕的應重新嵌線后,再浸漆、烘干處理。
5.發電機轉子繞組過熱
(1)故障現象。發電機在滿載連續運行至熱穩定時(3?4小時),手感定子外殼燙手,停機,用溫度計檢測定、轉子繞組表面,發現轉子繞組溫升超過規定的溫升限值和絕緣材料 耐熱限值(此會導致絕緣材料加速老化,縮短發電機壽命)。
(2)原因分析
①發電機在高于額定電壓下運行,為了按額定功率因數輸出額定功率,勵磁電流必然超過額定值,轉子繞組就會過熱。并網運行的發電機,常常由于電網電壓高,容易處于這種不正常運行狀態。
②發電機在低功率因數下運行,若發電機輸出額定功率,勵磁電流也要超過額定值。
③發電機在低于額定轉速下運行,通風條件不良影響散熱;發電機在低轉速下要輸出額 定電壓,必須相應加大勵磁電流,二者都導致轉子繞組過熱。
④發電機通風不良。對于凸極式發電機,若轉子極間撐塊結構不合理,使極間軸向通風不暢,影響繞組冷卻。在使用方面,常由于定子鐵心徑向通風道被堵,阻礙轉子散熱。
⑤轉子繞組匝間短路或接地。
⑥轉子繞組浸絕緣漆不透或絕緣漆過稀,未能排除或填滿繞組內部空氣隙。
(3)處理方法
①發電機在高于額定電壓下運行時,應相應降低輸出功率,尤其是無功功率,保持勵磁 電流不超過額定值。
②在負栽功率因數低于0.8 (滯后)時,應以勵磁電流不超過額定值為限。
③應提高內燃機轉速,使發電機在額定轉速下運行。
④改進發電機通風結構,用戶在維護或小修時要注意清除發電機通風道灰塵,經常保持 通風道暢通。
⑤用匝間耐壓檢查儀或短路探測器檢測繞組匝間是否短路,用兆歐表檢測繞組是否接地,對短路繞組應修復或更換。繞組接地,若接地點在內部應更換繞組,接地點在外部予以修復。
⑥把轉子繞組重新浸絕緣漆,要求浸透后徹底烘干。
6.直流勵磁機電樞過熱
(1)故障現象。直流勵磁機在額定轉速下,電樞溫升超過允許值,電樞端部繞組表面顏 色由灰色變為焦黃色,甚至換向器升高片的焊錫熔化而脫落。
(2)原因分析
①勵磁機輸出電流超過額定值,使整個電樞繞組普遍過熱。
②各磁極或換向極與電樞間氣隙不均勻,引起勵磁機磁場不勻稱,造成電樞繞組各并聯 支路感應電壓不一樣,電樞內部各支路間產生環流,導致電樞發熱,甚至勵磁機不帶負載, 電樞也因環流引起過熱,且伴有換向器電刷冒火花。
③電刷冒火花,熱量由換向器銅片傳至電樞繞組引起電樞過熱。
④勵磁機電樞繞組本身短路,相鄰換向片毛刺,造成片間短路或換向器相鄰升髙片相碰 短路,勵磁機電樞繞組感應很大的短路電流而劇熱。
⑤裝有傾斜式風扇的發電機倒轉,風扇效率低,導致風量、風壓減小,影響勵磁機電樞 正常散熱。
⑥勵磁機電樞繞組浸漆、烘干處理不好,影響散熱。
(3)處理方法
①降低勵磁機負載,使勵磁電流不超過銘牌規定值。
②增加或減少勵磁機定子主磁極或換向極與機座間墊片,使各極下的氣隙大小及氣隙均 勻度達到要求。調整墊片時切忌用銅片、鋁片等非磁性材料代替薄鋼片,同時也不能用各種絕緣材料,因只有鐵磁材料墊片才能增加或縮短磁路的真實氣隙長度。
③電刷冒火花應找出原因,并加以處理。
④用匝間耐壓檢査儀或短路探測儀査找短路部位,對短路處進行復修或更換短路的電樞 繞組,再進行浸漆,烘干處理。若系換向器相鄰銅片及升髙片相碰而短路,則應刮除銅毛刺或用起子推開相碰的升高片。
⑤按指示矢方向糾正勵磁機轉向。若用戶自行組裝的內燃發電機組要求發電機反轉,則必須配置倒轉的傾斜葉片的風扇。
⑥按浸漆、烘干工藝重新浸絕緣漆,或重新嵌線后進行浸漆、烘干處理。
7.發電機定子副繞組燒毀
(1)故障現象。定子副繞組有基波或三次諧波副繞組,它們作為自勵恒壓發電機的勵磁 定子副繞組往往因過熱而燒毀。
(2)原因分析
①與定子副繞組連接的整流元件全部或部分短路,此時定子副繞組處于短路狀態,在發電機主磁場作用下,定子副繞組中感應的短路電流很大,若持續運行,很快將燒毀繞組。
②副繞組本身短路,運行中因繞組過熱而燒毀。
③繞組絕緣老化或過分潮濕、受鹽霧等腐蝕性氣體侵蝕,在運行中定子副繞組也容易 燒毀。
(3)處理方法
①整流元件短路時,發電機輸出電壓突然下降,此時應立即停機,用萬用表檢査整流元件,更換損壞的元件。
②用匝間沖擊耐壓試驗儀或短路探測器檢測定子副繞組,找出短路點,修復或換上新繞組。
③用500V兆歐表定期檢査發電機繞組對地絕緣電阻,及時發現絕緣老化情況,以便進行大修。
8.無刷發電機交流勵磁機電樞繞組燒毀
(1)故障現象。無刷發電機在出廠試驗或在運行中,有時發現交流勵磁機電樞繞組突然燒毀,發電機電壓突然降落,造成嚴電故障而停電。
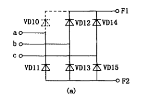
(2)原因分析。用于無刷發電機的交流勵磁機電樞繞組一般為三相星形接法,它與旋轉整流元件直接連接,整流方式有三相橋式和三相半波兩種,不管哪一種方式,只要有一個旋轉整流元件因過壓或過流損壞而短路,都將造成此故障。現以圖3-251的三相橋式連接的交流 勵磁機電樞回路為例說明。若整流元件VD10 損壞,當電樞繞組電壓Uab或Uac為最大值時,三相整流橋可正常工作,而在其他情況下三相整流橋都不能正常工作。例如,Ubc為最大正值 時(即b點電位最高,a點電位最低,電流回路一定是b—VD12—VD10—a,而不可能是 b—VD12—F1—F2—VD11—a。這就造成兩種結果:其一,發電機轉子繞組F1F2得不到勵磁電流;其二,整流元件VD12將因電樞電壓Uba輸出回路b—VD12—VD10—a短路而過電 流,直至燒毀。同理,可分析其他時刻的整流情況。總之,三相整流橋VD10?VD15中某個硅元件損壞,必然使轉子繞組F1F2的平均電流減小,從而使發電機端電壓下降,并有可能擴大故障,使其余整流件相繼損壞,導致勵磁機電樞繞組因持續過流而燒毀。
(3)處理方法
①合理選擇整流元件的電流、電壓等級,并采取有效的保護措施。過壓保護一般采用在直流側并接阻容或過壓保護電阻。圖3-251的R為并接在硅整流橋直流側的過壓保護電阻, 實踐證明其過壓保護作用有效、可靠。
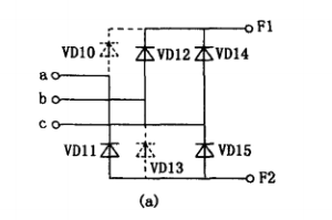
②對于已損壞的元件,必須換上同型號、規格新的元件。若一時無備品可換時,作為應急措施,拆除VD10和移補故障元件(見圖3-257a、圖3-258a)后,接好電路可繼續發電, 此時可能由于整流后直流電壓減小,發電機電壓略為降低。

9.電抗移相式相復勵變流器、電抗器發熱
(1)故障現象。相復勵發電機帶負荷運行時,相復勵變流器發熱厲害,有時電抗器響聲大,發熱也很厲害。
(2)原因分析。發電機的相復勵變流器、電抗器嚴重發熱,除制造質量差外,主要由下列原因造成:
①電抗器三相氣隙大小相差很大,三相磁路嚴重不平衡,或電抗器鐵心上軛部的鎖緊螺母松動,造成振動和氣隙嚴重不均勻,使電抗器發熱、噪聲大。
②由于三相負荷不平衡,尤其是單機運行的小機組,三相負荷分配往往相差很大,造成變流器三相合成激磁磁勢嚴重不平衡,因而導致變流器三相磁路嚴重不平衡,使變流器 發熱。
③變流器由于接線錯誤造成電流線圈與電壓線圈相序不一致,使變流器三相合成激磁磁 勢嚴重不平衡,此時變流器發熱,且可能造成無功輸出不足。
(3)處理方法
①調整電抗器氣隙,使三相氣隙大小均勻,并鎖緊電抗器上軛部的鎖緊螺母,防止其松動。
②調整發電機三相負荷,使其達到基本平衡。
③檢査變流器電壓線圈和電流線圈的相序,并改正錯誤接線。相序是否一致,可用鉗形電流表測量變流器輸出線圈的各相電流進行檢査(應在三相負載平衡條件下進行),若三相電流大小基本一致,則相序一致。也可用萬用表交流電壓擋測量三相空載電壓,若有明顯差異,說明兩線圈相序錯誤,應予以更正。





